(Cả năm) Giáo án Công nghệ 8 Kết nối tri thức 2026
Mua tài khoản Hoatieu Pro để trải nghiệm website Hoatieu.vn KHÔNG quảng cáo & Tải nhanh File chỉ từ 99.000đ. Tìm hiểu thêm »
Kế hoạch bài dạy môn Công nghệ lớp 8 KNTT
Giáo án Công nghệ 8 Kết nối tri thức được Hoatieu chia sẻ trong bài viết sau đây bao gồm mẫu giáo án Công nghệ 8 Kết nối tri thức học kì 1, giáo án Công nghệ 8 Kết nối tri thức học kì 2 được thiết kế bám sát nội dung SGK Công nghệ 8 KNTT cũng như các hướng dẫn tại công văn 5512. Sau đây là nội dung chi tiết mẫu giáo án Công nghệ 8 Kết nối tri thức file word. Mời các bạn cùng tham khảo.
Để tải giáo án Công nghệ 8 Kết nối tri thức, mời các bạn sử dụng file tải về miễn phí trong bài.
Giáo án Công nghệ 8 Kết nối file word
Mẫu giáo án môn Công nghệ 8 Kết nối được chia sẻ hoàn toàn miễn phí và chỉ mang tính chất tham khảo, hỗ trợ các thầy cô khi biên soạn giáo án cho riêng mình.
Giáo án Bài 1 Công nghệ 8 Kết nối tri thức
CHƯƠNG 1. VẼ KỸ THUẬT
TIẾT 1. BÀI 1. MỘT SỐ TIÊU CHUẨN TRÌNH BÀY BẢN VẼ KỸ THUẬT
I. MỤC TIÊU BÀI HỌC: Sau bài học này học sinh phải:
1. Kiến thức
- Mô tả được tiêu chuẩn về khổ giấy, tỉ lệ, đường nét và ghi kích thước của bản vẽ kỹ thuật.
2. Năng lực
2.1. Năng lực công nghệ
- Nhận thức công nghệ: Nhận biết được tiêu chuẩn của bản vẽ kỹ thuật.
- Giao tiếp công nghệ: Đọc được một số thuật ngữ dùng trong bản vẽ kỹ thuật.
- Đánh giá công nghệ: Đưa ra đánh giá, nhận xét về bản vẽ kỹ thuật.
- Thiết kế kỹ thuật: Ghi kích thước của bản vẽ kỹ thuật.
2.2. Năng lực chung
- Năng lực tự chủ, tự học.
- Năng lực giao tiếp và hợp tác: Biết sử dụng thông tin để trình bày, thảo luận các vấn đề liên quan đến tiêu chuẩn trình bày của bản vẽ kỹ thuật, lắng nghe và phản hồi tích cực trong quá trình hoạt động nhóm
- Năng lực giải quyết vấn đề: Giải quyết được các tình huống đặt ra có liên quan đến bản vẽ kỹ thuật.
3. Phẩm chất
- Chăm chỉ: Có ý thức vận dụng kiến thức về tiêu chuẩn trình bày bản vẽ kỹ thuật đã học vào thực tiễn cuộc sống.
- Trách nhiệm: Tích cực trong các hoạt động.
II. THIẾT BỊ DẠY HỌC VÀ HỌC LIỆU
1. Chuẩn bị của giáo viên
- Giấy A4. Phiếu học tập. Ảnh, power point.
2. Chuẩn bị của HS
- Dụng cụ học tập phục vụ cho quá trình hoạt động nhóm
- Học bài cũ. Đọc trước bài mới.
III. TIẾN TRÌNH DẠY HỌC
Hoạt động 1: Giới thiệu bài mới (8’)
a.Mục tiêu: Khơi gợi nhu cầu tìm hiểu về tiêu chuẩn trình bày của bản vẽ kỹ thuật
b. Nội dung: HS trả lời được câu hỏi.
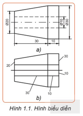
Hình 1.1 a, b là hai hình biểu diễn cùng một vật thể, hình a được vẽ theo tiêu chuẩn, hình b vẽ không tiêu chuẩn. Hãy nhận xét về hai hình biểu diễn này.

c. Sản phẩm: Báo cáo hoạt động nhóm.
Nhận xét về hai hình 1.1a và 1.1b:
- Hình 1.1a: thể hiện hình dạng, kích thước các phần của vật thể; thể hiện phần rỗng, đường kính khoét theo một quy tắc.
- Hình 1.1b: thể hiện vật thể nhưng không thấy được vị trí khoét, không xác định được kích thước từng phần.
d. Tổ chức hoạt động
Chuyển giao nhiệm vụ
GV yêu cầu HS quan sát và thảo luận trao đổi nhóm cặp bàn, trả lời câu hỏi
trên trong thời gian 1 phút.
HS quan sát và tiếp nhận nhiệm vụ.
Thực hiện nhiệm vụ
HS quan sát, trao đổi nhóm cặp bàn, trả lời câu hỏi.
Báo cáo, thảo luận
GV yêu cầu đại diện nhóm trình bày, nhóm khác nhận xét và bổ sung.
Đại diện nhóm trình bày, nhóm khác nhận xét và bổ sung.
Kết luận và nhận định
GV nhận xét trình bày của HS.
GV chốt lại kiến thức.
GV vào bài mới: Trình bày bản vẽ kỹ thuật gồm những tiêu chuẩn gì? Để trả lời được các câu hỏi trên thì chúng ta vào bài hôm nay
HS định hình nhiệm vụ học tập.
Hoạt động 2: Hình thành kiến thức mới
Hoạt động 2.1. Tìm hiểu về bản vẽ kỹ thuật
a.Mục tiêu: Nêu được khái niệm bản vẽ kỹ thuật
b. Nội dung: Bản vẽ kỹ thuật
HS trả lời câu hỏi
........................................
Giáo án Công nghệ 8 Kết nối tri thức bài 2
BÀI 2. HÌNH CHIẾU VUÔNG GÓC
I. MỤC TIÊU
1. Về kiến thức
- Vẽ được hình chiếu vuông góc của một số khối đa diện, khối tròn xoay thường gặp theo phương pháp góc chiếu thứ nhất.
- Vẽ và ghi được kích thước các hình chiếu vuông góc của vật thể đơn giản.
2. Về năng lực
a. Năng lực chung
Chủ động, tích cực thực hiện nhiệm vụ học tập
b. Năng lực công nghệ
- Vẽ được hình chiếu vuông góc của một số khối đa diện, khối tròn xoay thường gặp theo phương pháp chiếu góc thứ nhất.
- Vẽ và ghi được các hình chiếu vuông góc của vật thể đơn giản
3. Về phẩm chất
- Chăm chỉ, cẩn thận, tỉ mỉ và có tính kỉ luật cao.
- Tích cực giao tiếp và hợp tác khi làm việc cá nhân và làm việc theo nhóm
II. THIẾT BỊ DẠY HỌC VÀ HỌC LIỆU
1. Đối với GV:
- SGK, tài liệu giảng dạy, giáo án PPT.
- Máy tính, máy chiếu để cung cấp thêm những hình ảnh minh họa các bản vẽ, hoặc đoạn video ngắn về cách chia khổ giấy, cách tô đường nét...
2. Đối với HS: SGK, SBT, vở ghi.
III. TIẾN TRÌNH DẠY HỌC
A. HOẠT ĐỘNG KHỞI ĐỘNG
a) Mục tiêu: Giúp tạo tâm thế và gợi nhu cầu nhận thức của HS, khiến HS nảy sinh câu hỏi: Điều gì tạo nên sự khác biệt trong việc mô tả một vật thể bằng lời văn và mô tả bằng các hình vẽ.
b) Tổ chức thực hiện:
* Chuyển giao nhiệm vụ:
- GV yêu cầu HS quan sát Hình 2.1 SGK, trả lời câu hỏi: Hình ảnh của chiếc ghế trong Hình 2.1 sẽ như thế nào khi nhìn theo hai hướng khác nhau a và b? Hãy vẽ phác thảo hình ảnh thu được từ mỗi hướng nhìn đó. (GV không đánh giá ngay câu trả lời đúng hay sai).
* Thực hiện nhiệm vụ: HS thảo luận, suy nghĩ câu trả lời.
* Báo cáo, thảo luận: GV gọi đại diện một số HS trả lời, HS khác nhận xét, bổ sung:
Bản vẽ phác thảo hình ảnh chiếc ghế theo hai hướng khác nhau được mô tả như sau:

Hình ảnh chiếc ghế theo hai hướng quan sát
* Kết luận-nhận định
- GV giải thích: Quan sát theo các hướng khác nhau cho kết quả hình ảnh sự vật khác nhau, hình ảnh theo các hướng khác nhau có thể mô tả các chiều kích thước khác nhau của chiếc ghế. Qua các hình phác thảo, người xem có thể nhận ra đó là chiếc ghế, không nhầm với các đồ vật khác.
- GV khái quát hóa và dẫn dắt HS vào bài học mới: Mô tả vật thể bằng các hình vẽ là một cách làm rất hiệu quả, thể hiện một cách đầy đủ hình dáng, cấu tạo và kích thước của vật thể. Sau khi học xong bài này, các em có thể biểu diễn một vật thể bằng các hình vẽ - Bài 2: Hình chiếu vuông góc.
B. HÌNH THÀNH KIẾN THỨC MỚI
Hoạt động 1: Tìm hiểu về phương pháp các hình chiếu vuông góc
1.1. Hoạt động tìm hiểu về phép chiếu vuông góc
a) Mục tiêu: Mô tả được một cách đơn giản các yếu tố của phép chiếu vuông góc: mặt phẳng hình chiếu, hướng chiếu tia chiếu, hình chiếu và mối quan hệ giữa các yếu tố đó.
b) Tổ chức thực hiện:
* Chuyển giao nhiệm vụ:
- GV yêu cầu HS đọc nội dung mục I.1 SGK trang 10, quan sát Hình 2.2 SGK và trả lời câu hỏi:
+ Mặt phẳng P được gọi là gì?
+ Các điểm A', B', C', D' được gọi là gì?
........................
Giáo án Công nghệ 8 Kết nối tri thức bài 3
BÀI 3. BẢN VẼ CHI TIẾT
(2 Tiết)
I. MỤC TIÊU
1. Kiến thức:
Sau bài học này, HS đạt yêu cầu sau:
- Đọc được bản vẽ chi tiết đơn giản.
2. Năng lực
Năng lực chung:
- Năng lực tự chủ, tự học: Chủ động học tập, tìm hiểu nội dung bài học, biết lắng nghe và trả lời nội dung trong bài học.
- Năng lực giao tiếp và hợp tác: Thực hiện tốt nhiệm vụ trong hoạt động nhóm; trao đổi, trình bày, chia sẻ ý tưởng,... khi thực hiện dự án học tập và sử dụng, đánh giá các sản phẩm công nghệ.
- Năng lực giải quyết vấn đề và sáng tạo: Tìm tòi, sáng tạo sản phẩm mới, giải quyết các vấn đề về kĩ thuật, công nghệ trong thực tiễn.
Năng lực công nghệ:
- Biết lựa chọn các nguồn tài liệu phù hợp để tìm hiểu thêm về các yêu cầu kĩ thuật của bản vẽ chi tiết, các phương pháp biểu diễn khác (ngoài các hình chiếu vuông góc).
- Đọc được bản vẽ chi tiết đơn giản.
3. Phẩm chất
- Chăm chỉ, cẩn thận, tỉ mỉ.
- Tích cực giao tiếp và hợp tác khi làm việc nhóm.
II. THIẾT BỊ DẠY HỌC VÀ HỌC LIỆU
1. Đối với GV:
- SGK, tài liệu giảng dạy, giáo án PPT.
- Máy tính, máy chiếu để cung cấp thêm những hình ảnh minh họa.
- Các mô hình 3 chiều của chi tiết, các bản vẽ chi tiết khác.
2. Đối với HS: SGK, SBT, vở ghi.
III. TIẾN TRÌNH DẠY HỌC
A. HOẠT ĐỘNG KHỞI ĐỘNG
a) Mục tiêu: Thu hút HS tìm hiểu các nội dung của bản vẽ chi tiết.
b) Tổ chức thực hiện:
Bước 1: GV chuyển giao nhiệm vụ:
- GV yêu cầu HS quan sát Hình 3.1 SGK và trả lời câu hỏi phần khởi động: Hình 3.1 thể hiện nội dung cơ bản của một bản vẽ chi tiết. Trên bản vẽ có những gì?

Bước 2: HS thực hiện nhiệm vụ học tập: HS thảo luận, suy nghĩ câu trả lời.
Bước 3: Báo cáo kết quả hoạt động, thảo luận: GV gọi đại diện một số HS trả lời, HS khác nhận xét, bổ sung.
Đáp án: Trên bản vẽ có:
- Các hình chiếu.
- Kích thước.
- Yêu cầu kĩ thuật.
- Khung tên.
Bước 4: Đánh giá kết quả thực hiện:
- GV kết luận và dẫn dắt HS vào bài học mới: Bản vẽ chi tiết trên Hình 3.1 SGK bao gồm các hình chiếu, kích thước, yêu cầu kĩ thuật, khung tên. Đó chính là nội dung của bản vẽ chi tiết, được sử dụng để chế tạo và kiểm tra - Bài 3. Bản vẽ chi tiết.
B. HÌNH THÀNH KIẾN THỨC MỚI
Hoạt động 1: Tìm hiểu về nội dung của bản vẽ chi tiết
a) Mục tiêu: Mô tả được nội dung của bản vẽ chi tiết.
b) Tổ chức thực hiện:
Bước 1: GV chuyển giao nhiệm vụ:
- GV yêu cầu HS đọc nội dung mục I, quan sát Hình 3.2 SGK tr.20 và trả lời câu hỏi:
+ Bản vẽ chi tiết là gì?
+ Trình bày các nội dung của bản vẽ chi tiết.
......................
Giáo án Công nghệ 8 Kết nối tri thức bài 4
BÀI 4. BẢN VẼ LẮP
I. MỤC TIÊU
1. Về kiến thức
- Tìm hiểu về nội dung của bản vẽ lắp, đọc bản vẽ lắp
2. Về năng lực
a. Năng lực chung
- Biết lựa chọn các nguồn tài liệu phù hợp để tìm kiếm thêm về các quy định của bản vẽ lắp. Tìm hiểu thêm về bản vẽ lắp trong đời sống.
b. Năng lực công nghệ
- Đọc được bản vẽ lắp đơn giản.
3. Về phẩm chất
- Chăm chỉ, cẩn thận, tỉ mỉ.
- Tích cực giao tiếp hợp tác khi làm việc theo nhóm
- Thích tìm hiểu thông tin để mở rộng hiểu biết.
II. THIẾT BỊ DẠY HỌC VÀ HỌC LIỆU
1. Chuẩn bị của GV
- SGK, tài liệu giảng dạy, giáo án PPT.
- Máy tính, máy chiếu để cung cấp thêm những hình ảnh minh họa.
- Các mô hình 3 chiều của các chi tiết, các mô hình lắp ráp 3 chiều, các bản vẽ lắp khác.
2. Chuẩn bị của HS: SGK, SBT, vở ghi.
III. TIẾN TRÌNH DẠY HỌC
1. Hoạt động 1: Khởi động
a) Mục tiêu
- Giúp tạo tâm thế và gợi nhu cầu nhận thức của HS.
- Bước đầu giúp HS biết được nội dung của bản vẽ lắp.
b) Tổ chức thực hiện
* Chuyển giao nhiệm vụ
GV yêu cầu HS quan sát Hình 4.1 SGK, HS hoạt động cá nhân trả lời câu hỏi:? Hình 4.1 thể hiện một số nội dung cơ bản của một bản vẽ lắp. Bản vẽ đó có những điểm khác biệt nào so với bản vẽ chi tiết?

- Thiện nhiệm vụ học tập:
HS Quan sát hình 4.1, suy nghĩ và trả lời câu trả lời.
* Báo cáo - thảo luận: GV gọi đại diện một số HS trả lời, HS khác nhận xét, bổ sung.
Đáp án: Bản vẽ lắp khác bản vẽ chi tiết ở các nội dung:
+ Bản vẽ lắp có nhiều chi tiết và bảng liệt kê từng chi tiết, bản vẽ lắp không có yêu cầu kĩ thuật, bản vẽ lắp không ghi đầy đủ kích thước.
+ Bản vẽ lắp của một sản phẩm là bản vẽ thể hiện hình dạng, cấu tạo của sản phẩm đó và vị trí tương quan giữa các chi tiết của sản phẩm.
+ Bản vẽ lắp được dùng làm tài liệu cho quá trình thiết kế, lắp ráp
* Kết luận-nhận định
- GV kết luận và dẫn dắt HS vào bài học mới: Bản vẽ lắp gồm có các hình chiếu, khung tên, kiểm tra và sử dụng sản phẩm, để hiểu rõ hơn về nội dung của bản vẽ lắp cũng như cách đọc bản vẽ lắp, chúng ta cùng tìm hiểu bài học hôm nay - Bài 4. Bản vẽ lắp.
2. Hoạt động 2: Hình thành kiến thức mới
2.1. Tìm hiểu về nội dung của bản vẽ lắp
a) Mục tiêu: Mô tả được nội dung của bản vẽ lắp.
b) Tổ chức thực hiện
* Chuyển giao nhiệm vụ
- GV yêu cầu HS đọc nội dung mục I SGK tr.24.
.......................................
Mời các bạn tham khảo các bài viết khác trong chuyên mục Dành cho giáo viên của Hoatieu.
-
Chia sẻ:
Trần Thu Trang
- Ngày:
(Cả năm) Giáo án Công nghệ 8 Kết nối tri thức 2026
03/07/2023 11:01:00 SANhiều người quan tâm
Tham khảo thêm
-
Giáo án Khoa học tự nhiên 8 Kết nối tri thức cả năm
-
Giáo án Âm nhạc 8 Kết nối tri thức cả năm
-
Giáo án Khoa học tự nhiên 8 Cánh Diều 2026 cả năm
-
(Cả năm file word) Giáo án Toán 8 Kết nối tri thức với cuộc sống 2026
-
Giáo án tiếng Anh 8 Global Success cả năm
-
Giáo án Toán 8 Cánh Diều 2026 cả năm file word
-
Giáo án Toán 8 Chân trời sáng tạo cả năm
Theo Nghị định 147/2024/ND-CP, bạn cần xác thực tài khoản trước khi sử dụng tính năng này. Chúng tôi sẽ gửi mã xác thực qua SMS hoặc Zalo tới số điện thoại mà bạn nhập dưới đây:
-
Ngữ Văn
- Giáo án Ngữ văn 8 Kết nối tri thức với cuộc sống (Word)
- Giáo án Ngữ văn 8 Kết nối tri thức - Kì 1
- Giáo án Ngữ văn 8 Kết nối tri thức - Kì 2
- Giáo án Ngữ Văn 8 Chân trời sáng tạo (Word)
- Giáo án dạy thêm Ngữ văn 8 Chân trời sáng tạo cả năm
- Giáo án dạy thêm Ngữ văn 8 Chân trời sáng tạo - Kì 1
- Giáo án dạy thêm Ngữ văn 8 Chân trời sáng tạo - Kì 2
- Giáo án Ngữ văn 8 sách Cánh Diều (Word)
- Giáo án PowerPoint Văn 8 Kết nối tri thức (PPT)
- Giáo án PowerPoint Ngữ văn 8 Kết nối tri thức - Kì 1
- Giáo án PowerPoint Ngữ văn 8 Kết nối tri thức - Kì 2
- Giáo án PowerPoint Ngữ văn 8 Chân trời sáng tạo (PPT)
- Bài giảng PowerPoint Ngữ văn 8 Cánh Diều (PPT)
- Giáo án PowerPoint Ngữ văn 8 Cánh Diều - Kì 1
- Giáo án PowerPoint Ngữ văn 8 Cánh Diều - Kì 2
- Giáo án PowerPoint dạy thêm Ngữ văn 8 Cánh Diều
-
Toán
- Giáo án Toán 8 Kết nối tri thức với cuộc sống (Word)
- Giáo án Toán 8 Chân trời sáng tạo (Word)
- Giáo án Toán 8 Chân trời sáng tạo - Kì 1
- Giáo án Toán 8 Chân trời sáng tạo - Kì 2
- Giáo án Toán 8 Cánh Diều (Word)
- Giáo án điện tử Toán 8 Kết nối tri thức (PPT)
- Giáo án điện tử Toán 8 Chân trời sáng tạo (PPT)
- Giáo án PowerPoint Toán 8 Chân trời sáng tạo - Kì 1
- Giáo án PowerPoint Toán 8 Chân trời sáng tạo - Kì 2
- Giáo án điện tử Toán 8 Cánh Diều (PPT)
- Giáo án PowerPoint Toán 8 Cánh Diều - Kì 1
- Giáo án PowerPoint Toán 8 Cánh Diều - Kì 2
- KHTN
-
Lịch sử
- Giáo án Lịch sử 8 Kết nối tri thức (Word)
- Giáo án Lịch sử 8 Kết nối tri thức - Kì 1
- Giáo án Lịch sử 8 Kết nối tri thức - Kì 2
- Giáo án Lịch sử Địa lí 8 Chân trời sáng tạo (Word)
- Giáo án minh họa tích hợp AI môn Lịch sử 8 Chân trời sáng tạo
- Giáo án Lịch sử 8 Cánh Diều (Word)
- Giáo án Lịch sử 8 học sinh khuyết tật
- Giáo án PowerPoint Lịch sử 8 Kết nối tri thức (PPT)
- Giáo án PowerPoint Lịch sử 8 Kết nối tri thức - Kì 1
- Giáo án PowerPoint Lịch sử 8 Kết nối tri thức - Kì 2
- Giáo án điện tử Lịch sử 8 Chân trời sáng tạo (PPT)
- Giáo án PowerPoint Lịch sử 8 Chân trời sáng tạo - Kì 1
- Giáo án PowerPoint Lịch sử 8 Chân trời sáng tạo - Kì 2
- Giáo án điện tử Lịch sử 8 Cánh Diều (PPT)
- Giáo án PowerPoint Lịch sử 8 Cánh Diều - Kì 1
- Giáo án PowerPoint Lịch sử 8 Cánh Diều - Kì 2
-
Địa lý
- Giáo án Lịch sử Địa lý 8 Kết nối tri thức (Word)
- Giáo án Địa lí 8 Kết nối tri thức - Kì 1
- Giáo án Địa lí 8 Kết nối tri thức - Kì 2
- Giáo án Địa 8 sách Cánh Diều (Word)
- Giáo án PowerPoint Địa lí 8 Kết nối tri thức (PPT)
- Giáo án PowerPoint Địa lí 8 Kết nối tri thức - Kì 1
- Giáo án PowerPoint Địa lí 8 Kết nối tri thức - Kì 2
- Giáo án điện tử Địa lí 8 Chân trời sáng tạo (PPT)
- Giáo án PowerPoint Địa lí 8 Chân trời sáng tạo - Kì 1
- Giáo án PowerPoint Địa lí 8 Chân trời sáng tạo - Kì 2
- Giáo án điện tử Địa lí 8 Cánh Diều (PPT)
- Giáo án PowerPoint Địa lí 8 Cánh Diều - Kì 1
- Giáo án PowerPoint Địa lí 8 Cánh Diều - Kì 2
- Công nghệ
-
Công dân
- Giáo án Giáo dục công dân 8 Kết nối tri thức (Word)
- Giáo án Giáo dục công dân 8 Chân trời sáng tạo (Word)
- Giáo án Giáo dục công dân 8 Cánh Diều (Word)
- Giáo án tích hợp Giáo dục công dân 8 Cánh Diều
- Giáo án điện tử Giáo dục công dân 8 Kết nối tri thức (PPT)
- Giáo án PowerPoint Giáo dục công dân 8 Kết nối tri thức - Kì 1
- Giáo án PowerPoint Giáo dục công dân 8 Kết nối tri thức - Kì 2
- Giáo án điện tử Giáo dục công dân 8 Chân trời sáng tạo (PPT)
- Giáo án PowerPoint Giáo dục công dân 8 Chân trời sáng tạo - Kì 1
- Giáo án PowerPoint Giáo dục công dân 8 Chân trời sáng tạo - Kì 2
- Giáo án PowerPoint GDCD 8 Cánh diều
- Hóa học
- Vật lý
- Sinh học
-
Tiếng Anh
- Giáo án tiếng Anh 8 Kết nối tri thức (Word)
- Giáo án Tiếng Anh 8 Global Success - Kì 1
- Giáo án Tiếng Anh 8 Global Success - Kì 2
- Giáo án tiếng Anh 8 Chân trời sáng tạo (Word)
- Giáo án Anh 8 i-Learn Smart World (Word)
- Giáo án Powerpoint Tiếng Anh 8 i-Learn Smart World (PPT)
- Giáo án điện tử Tiếng Anh 8 Global Success (PPT)
- Giáo án PowerPoint Tiếng Anh 8 Global Success - Kì 1
- Giáo án PowerPoint Tiếng Anh 8 Global Success - Kì 2
-
Tin học
- Giáo án Tin học 8 Kết nối tri thức (Word)
- Giáo án môn Tin học 8 Kết nối tri thức - Kì 1 (Tích hợp năng lực số)
- Giáo án môn Tin học 8 Kết nối tri thức - Kì 2 (Tích hợp năng lực số)
- Giáo án Tin học 8 Chân trời sáng tạo (Word)
- Giáo án Tin học 8 Chân trời sáng tạo - Kì 1 (Tích hợp năng lực số)
- Giáo án Tin học 8 Chân trời sáng tạo - Kì 2 (Tích hợp năng lực số)
- Giáo án môn Tin học lớp 8 Cánh Diều (Word)
- Giáo án PowerPoint Tin học 8 Kết nối tri thức (PPT)
- Giáo án PowerPoint Tin học 8 Kết nối tri thức - Kì 1
- Giáo án PowerPoint Tin học 8 Kết nối tri thức - Kì 2
- Giáo án PowerPoint Tin học 8 Chân trời sáng tạo (PPT)
- Giáo án PowerPoint Tin học 8 Chân trời sáng tạo - Kì 1
- Giáo án PowerPoint Tin học 8 Chân trời sáng tạo - Kì 2
-
HĐTN
- Giáo án Hoạt động trải nghiệm 8 Kết nối tri thức (Word)
- Giáo án Hoạt động trải nghiệm 8 Chân trời sáng tạo (Bản 1) (Word)
- Giáo án Hoạt động trải nghiệm 8 Cánh Diều (Word)
- Giáo án điện tử Hoạt động trải nghiệm 8 Kết nối tri thức (PPT)
- Giáo án PowerPoint Hoạt động trải nghiệm 8 Chân trời sáng tạo (PPT)
- Giáo án điện tử Hoạt động trải nghiệm 8 Cánh Diều (PPT)
-
Mĩ thuật
- Giáo án Mĩ thuật 8 Kết nối tri thức (Word)
- Giáo án Mĩ thuật lớp 8 Cánh Diều (Word)
- Giáo án Mĩ thuật 8 Chân trời sáng tạo (Word)
- Giáo án minh họa tích hợp AI môn Mĩ thuật 8 Chân trời sáng tạo
- Giáo án điện tử Mĩ thuật 8 Chân trời sáng tạo (PPT)
- Giáo án PowerPoint Mĩ thuật 8 Kết nối tri thức (PPT)
- Giáo án PowerPoint Mĩ thuật 8 Kết nối tri thức - Kì 1
- Giáo án PowerPoint Mĩ thuật 8 Kết nối tri thức - Kì 2
- Âm nhạc
- GD Thể chất
-
GD địa phương
- Giáo án giáo dục địa phương 8 TP Hồ Chí Minh
- Giáo án điện tử Giáo dục địa phương 8 TP Hồ Chí Minh
- Giáo án giáo dục địa phương 8 Vũng Tàu
- Giáo án điện tử Giáo dục địa phương 8 Hà Nội
- Giáo án điện tử Giáo dục địa phương 8 Vĩnh Phúc
- Giáo án giáo dục địa phương 8 Hà Nội
- Giáo án giáo dục địa phương 8 Lâm Đồng
- Giáo án giáo dục địa phương 8 Thanh Hóa
Giáo án lớp 8 tải nhiều
-
Video AI khởi động GDCD 7 Bài 6: Ứng phó với tâm lí căng thẳng
-
Trò chơi khởi động Công nghệ 8: Ôn tập chương 2
-
Trò chơi khởi động Công nghệ 8: Ôn tập chương 3
-
Trò chơi khởi động Công nghệ 8 Bài 17: Ngành nghề trong lĩnh vực kĩ thuật điện
-
Trò chơi khởi động Công nghệ 8 Bài 14: Khái quát về mạch điện
-
Trò chơi khởi động Công nghệ 8 Bài 15: Cảm biến và mô đun cảm biến
-
Trò chơi khởi động Công nghệ 8 Bài 16: Mạch điện điều khiển sử dụng mô đun cảm biến
-
Trò chơi khởi động Công nghệ 8 Bài 12: Biện pháp an toàn điện
-
Trò chơi khởi động Công nghệ 8 Bài 13: Sơ cứu người bị tai nạn điện
-
Trò chơi khởi động Công nghệ 8 Bài 8: Gia công cơ khí bằng tay
Bài viết hay Giáo án lớp 8
-
PowerPoint Toán 8 Bài Luyện tập chung trang 23
-
Trò chơi khởi động Tin học 8 Bài 9a: Tạo đầu trang chân trang cho văn bản
-
Giáo án dạy thêm Toán 8 sách Chân trời sáng tạo file doc, pdf
-
Giáo án điện tử Toán 8 Kết nối tri thức 2024
-
PowerPoint Ngữ Văn 8 Bài 4: Thực hành tiếng Việt: Nghĩa tường minh và nghĩa hàm ẩn
-
(Có tiết ôn tập) Giáo án Lịch sử 8 Cánh Diều