Bảng tra thép hình I, H, U, V, L, C 2025 cập nhật mới nhất
Mua tài khoản Hoatieu Pro để trải nghiệm website Hoatieu.vn KHÔNG quảng cáo & Tải nhanh File chỉ từ 99.000đ. Tìm hiểu thêm »
Thép hình là loại vật liệu được sản xuất ra phục vụ cho con người trong nhiều lĩnh vực của cuộc sống. Nó được sử dụng nhiều trong ngành công nghiệp và xây dựng như: Làm kết cấu công trình, xây dựng cầu đường, làm đòn cân, sử dụng trong ngành đóng tàu. Bảng tra thép hình được sử dụng để tra cứu trọng lượng thép chuẩn xác nhất. Để tra cứu thép hình một cách nhanh chóng và chính xác nhất, mời các bạn tham khảo bài viết dưới đây.
Bảng tra thép hình I, H, U, V, L, C mới nhất 2025
Hoatieu.vn xin gửi tới bạn đọc bài viết bảng tra thép hình I, H, U, V, L, C để bạn đọc cùng tham khảo. Bảng tra thép hình I, H, U, V, L, C là mẫu bảng về kích thướng, khối lượng, diện tích và các đặc trưng hình học của thép theo hình I, H, U, V, L, C.
- Mẫu bảng báo giá thi công xây dựng
- Mẫu đơn đăng ký cấp chứng chỉ hành nghề kiến trúc sư hoạt động xây dựng
- Hồ sơ nghiệm thu đầy đủ cho một công trình xây dựng
Bảng tra thép hình theo tiêu chuẩn Việt Nam hiện đang được Hoatieu cập nhật liên tục cho bạn đọc cùng tham khảo, để tiện sử dụng mẫu Bảng tra thép hình 2024 mời bạn cùng tải về mẫu file pdf, word trong bài, thuận tiện cho việc tìm kiếm, tra cứu thông tin.
1. Bảng tra thép hình để làm gì?
Bảng tra thép hình I, H, U, V cho biết thông số chính xác về khối lượng riêng của một số loại thép hình H, U, I, V thông dụng. Ngoài ra còn giúp tra cứu thêm các thông tin cơ bản về đặc tính vật lí của thép như: Mô men quán tính, bán kính quán tính và momen kháng uốn.
Bảng tra thép hình I, H, U, V giúp tra cứu thông tin nhanh chóng và chính xác, nhằm hỗ trợ kỹ thuật tính toán lượng thép hình cần sử dụng cũng như một số đặc tính cơ bản của thép H, I, U, V để ứng dụng vào các công trình cụ thể. Với một số công trình nghiệm thu việc tính toán khối lượng thép rất quan trọng trong khí không thể kiểm tra khối lượng thép I đã sử dụng bằng phương pháp cân thông thường do đó việc sử dụng bảng tra thép hình I, H, U, V giúp tính toán và xác định khối lượng thép chính xác là vô cùng cần thiết.
2. Bảng tra thép hình H
Thép hình H có nhiều mẫu mã đa dạng nên thông số và tiêu chuẩn khác nhau. Các tiêu chuẩn:
Mác thép tiêu chuẩn Nhật: JIS G3101 SS400, Q345B, A572 Gr50, S355, S355JR S355JO, S275, S275JR, S275JO, S235, S235JR, S235JO.
Mác thép của Trung quốc: SS400, Q235A, Q235B, Q235C, Q235D, Q245R/Q345R…. Q345B 15X , 20X,..AS40/45/50/60/70. AR400/AR500.
Mác thép của Nhật: SS400,… theo tiêu chuẩn: JISnGn3101, SB410, 3010
Mác thép của Trung Quốc: SS400, Q345B… theo tiêu chuẩn: JIS G3101, SB410, 3010
Mác thép của Mỹ: A36,… Theo tiêu chuẩn : A570 GrA, A570 GrD, A572 Gr42/50,… ASTM/ASME SA/A36, AH32/AH36, ASTM A283/285.
Tiêu chuẩn Châu Âu: S275JR/S275J0/S275J2 S355JR/S355J0/S355J2/S355K2/S235NL, St37-2, ST52-3.
Dưới đây là thông số bảng tra thép hình chữ H mới nhất.
| Bảng tra thép hình H | |||
| Quy cách sản phẩm (cạnh x cạnh x bụng x cánh) | m | kg/m | kg/cây |
| H 100 x 100 x 6 x 8mm | 12 | 17.20 | 206.40 |
| H 125 x 125 x 6.5 x 9mm | 12 | 23.80 | 285.60 |
| H 148 x 99 x 6 x 9mm | 12 | 20.70 | 248.40 |
| H 150 x 150 x 7 x 10mm | 12 | 31.50 | 378.00 |
| H 175 x 175 x 7.5 x 11mm | 12 | 40.40 | 484.80 |
| H 194 x 150 x 6 x 9mm | 12 | 30.60 | 367.20 |
| H 200 x 200 x 8 x 12mm | 12 | 50.50 | 606.00 |
| H 244 x 175 x 7 x 11mm | 12 | 44.10 | 529.20 |
| H 250 x 250 x 9 x 14mm | 12 | 72.40 | 868.80 |
| H 294 x 200 x 8 x 12mm | 12 | 56.80 | 681.60 |
| H 300 x 300 x 10 x 15mm | 12 | 94.00 | 1,128.00 |
| H 340 x 250 x 9 x 14mm | 12 | 79.70 | 956.40 |
| H 350 x 350 x 12 x 19mm | 12 | 137.00 | 1,644.00 |
| H 390 x 300 x 10 x 16mm | 12 | 107.00 | 1,284.00 |
| H 400 x 400 x 13 x 21mm | 12 | 172.00 | 2,064.00 |
| H 414 x 405 x 18 x 28mm | 12 | 232.00 | 2,784.00 |
| H 488 x 300 x 11 x 18mm | 12 | 128.00 | 1,536.00 |
| H 588 x 300 x 12 x 20mm | 12 | 151.00 | 1,812.00 |
Mời các bạn tham khảo thêm các mẫu bảng tra thép hình H dưới đây:


Bảng tra thép hình H số 1 mới nhất

Bảng tra thép hình H mẫu số 2
3. Bảng tra thép hình I
Thép hình I có kích thước khá đa dạng với kích thước dao động như sau:
+ Chiều cao thân: 100 – 900 mm
+ Chiều rộng cánh: 55 – 300 mm
+ Chiều dài: 6000 & 12000 mm
Dưới đây là Bảng tra thép hình chữ I mới nhất:
| TÊN SẢN PHẨM | Kích thước cạnh ( XxYmm ) |
Độ dày bụng T1 | Độ dày cánh T2 | Chiều Dài Cây ( M/ Cây ) |
Trọng Lượng ( KG/ M ) |
| Thép hình I 100 | I100x50 | 3.2 | 6m | 7 | |
| Thép hình I 100 | I100x55 | 4.5 | 6.5 | 6m | 9.46 |
| Thép hình I 120 | I120x64 | 4.8 | 6.5 | 6m | 11.5 |
| Thép hình I 148 | I148x100 | 6 | 9 | 6m – 12m | 21.1 |
| Thép hình I 150 | I150x75 | 5 | 7 | 6m – 12m | 14 |
| Thép hình I 194 | I194x150 | 6 | 9 | 6m – 12m | 30.6 |
| Thép hình I 198 | I198x99 | 4.5 | 7 | 6m – 12m | 18.2 |
| Thép hình I 200 | I200x100 | 5.5 | 8 | 6m – 12m | 21.3 |
| Thép hình I 244 | I244x175 | 7 | 11 | 6m – 12m | 44.1 |
| Thép hình I 248 | I248x 124 | 5 | 8 | 6m – 12m | 25.7 |
| Thép hình I 250 | I250x125 | 6 | 9 | 6m – 12m | 29.6 |
| Thép hình I 250 | I250x175 | 7 | 11 | 6m – 12m | 44.1 |
| Thép hình I 294 | I294x200 | 8 | 12 | 6m – 12m | 56.8 |
| Thép hình I 298 | I298x149 | 5.5 | 8 | 6m – 12m | 32 |
| Thép hình I 300 | I300x150 | 6.5 | 9 | 6m – 12m | 36.7 |
| Thép hình I 340 | I340x250 | 9 | 14 | 6m – 12m | 79.7 |
| Thép hình I 346 | I346x174 | 6 | 9 | 6m – 12m | 41.4 |
| Thép hình I 350 | I350x175 | 7 | 11 | 6m – 12m | 49.6 |
| Thép hình I 390 | I390x300 | 10 | 16 | 6m – 12m | 107 |
| Thép hình I 396 | I396x199 | 7 | 11 | 6m – 12m | 56.6 |
| Thép hình I 400 | I400x200 | 8 | 13 | 6m – 12m | 66 |
| Thép hình I 440 | I440x300 | 11 | 18 | 6m – 12m | 124 |
| Thép hình I 446 | I446x199 | 8 | 12 | 6m – 12m | 66.2 |
| Thép hình I 450 | I450x200 | 9 | 14 | 6m – 12m | 76 |
| Thép hình I 482 | I482x300 | 11 | 15 | 6m – 12m | 114 |
| Thép hình I 488 | I488x300 | 11 | 18 | 6m – 12m | 128 |
| Thép hình I 496 | I496x199 | 9 | 14 | 6m – 12m | 79.5 |
| Thép hình I 500 | I500x200 | 10 | 16 | 6m – 12m | 89.6 |
| Thép hình I 596 | I596x199 | 10 | 15 | 6m – 12m | 94.6 |
| Thép hình I 582 | I582x300 | 12 | 17 | 6m – 12m | 137 |
| Thép hình I 588 | I588x300 | 12 | 20 | 6m – 12m | 151 |
| Thép hình I 594 | I594x302 | 14 | 23 | 6m – 12m | 175 |
| Thép hình I 600 | I600x200 | 11 | 17 | 6m – 12m | 106 |
| Thép hình I 692 | I692x300 | 13 | 20 | 6m – 12m | 166 |
| Thép hình I 700 | I700x300 | 13 | 24 | 6m – 12m | 185 |
| Thép hình I 792 | I792x300 | 14 | 22 | 6m – 12m | 191 |
| Thép hình I 800 | I800x300 | 14 | 26 | 6m – 12m | 210 |
| Thép hình I 900 | I900x300 | 16 | 18 | 6m – 12m | 240 |
Mời các bạn tham khảo thêm các mẫu bảng tra thép hình I dưới đây:
Bảng tra thép hình I

Bảng tra thép hình I mới nhất
4. Bảng tra thép hình C
Dưới đây là Bảng tra thép hình chữ C mới nhất
Mời các bạn tham khảo thêm các mẫu bảng tra thép hình C dưới đây:

Bảng tra thép hình C

Bảng tra thép hình C mới nhất
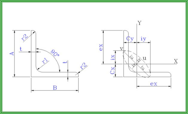
5. Bảng tra thép hình L
Thép V có đa dạng về kích thước, và thường được đặt tên theo độ dài cạnh chữ V, tùy thuộc vào độ dày mà mỗi loại lại có trọng lượng khác nhau.

Bảng tra thép hình L

Bảng tra thép góc không đều cạnh L số 1


Bảng tra thép góc không đều cạnh L số 2
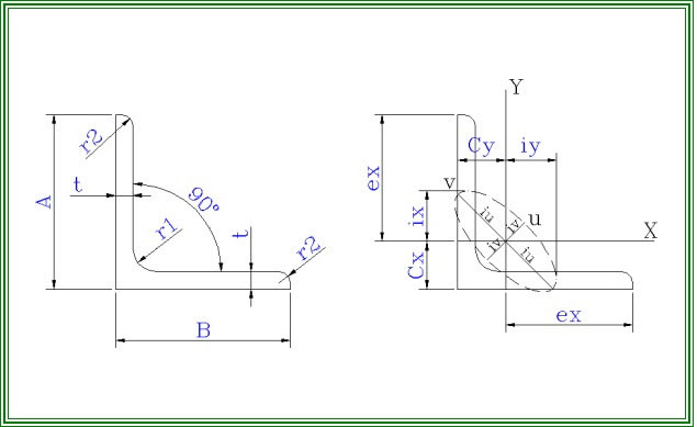
6. Bảng tra thép hình V
Dưới đây là bảng tra thép hình chữ V
| Tên | Quy cách thép V( A x B x t) | Độ dài m | Trọng lượng |
| Thép V25 | V 25 x 25 x 2.5ly | 6 | 5.5 |
| V 25 x 25 x 3ly | 6 | 6.7 | |
| Thép V30 | V 30 x 30 x 2.0ly | 6 | 5.0 |
| V 30 x 30 x 2.5ly | 6 | 5.5 | |
| V 30 x 30 x 3ly | 6 | 7.5 | |
| V 30 x 30 x 3ly | 6 | 8.2 | |
| Thép V40 | V 40 x 40 x 2ly | 6 | 7.5 |
| V 40 x 40 x 2.5ly | 6 | 8.5 | |
| V 40 x 40 x 3ly | 6 | 10.0 | |
| V 40 x 40 x 3.5ly | 6 | 11.5 | |
| V 40 x 40 x 4ly | 6 | 12.5 | |
| V 40 x 40 x 5ly | 6 | 17.7 | |
| Thép V45 | V 45 x 45 x 4ly | 6 | 16.4 |
| V 45 x 45 x 5ly | 6 | 20.3 | |
| Thép V50 | V 50 x 50 x 3ly | 6 | 13.0 |
| V 50 x 50 x 3,5ly | 6 | 15.0 | |
| V 50 x 50 x 4ly | 6 | 17.0 | |
| V 50 x 50 x 4.5ly | 6 | 19.0 | |
| V 50 x 50 x 5ly | 6 | 22.0 | |
| Thép V60 | V 60 x 60 x 4ly | 6 | 22.1 |
| V 60 x 60 x 5ly | 6 | 27.3 | |
| V 60 x 60 x 6ly | 6 | 32.2 | |
| Thép V63 | V 63 x 63 x 4ly | 6 | 21.5 |
| V 63 x 63 x5ly | 6 | 27.0 | |
| V 63 x 63 x 6ly | 6 | 28.5 | |
| Thép V65 | V 65 x 65 x 5ly | 6 | 30.0 |
| V 65 x 65 x 6ly | 6 | 35.5 | |
| V 65 x 65 x 8ly | 6 | 46.0 | |
| Thép V70 | V 70 x 70 x 5.0ly | 6 | 31.0 |
| V 70 x 70 x 6.0ly | 6 | 41.0 | |
| V 70 x 70 x 7ly | 6 | 44.3 | |
| Thép V75 | V 75 x 75 x 4.0ly | 6 | 31.5 |
| V 75 x 75 x 5.0ly | 6 | 34.0 | |
| V 75 x 75 x 6.0ly | 6 | 37.5 | |
| V 75 x 75 x 7.0ly | 6 | 41.0 | |
| V 75 x 75 x 8.0ly | 6 | 52.0 | |
| V 75 x 75 x 9ly | 6 | 59.8 | |
| V 75 x 75 x 12ly | 6 | 78.0 | |
| Thép V80 | V 80 x 80 x 6.0ly | 6 | 41.0 |
| V 80 x 80 x 7.0ly | 6 | 48.0 | |
| V 80 x 80 x 8.0ly | 6 | 57.0 | |
| Thép V90 | V 90 x 90 x 6ly | 6 | 49.7 |
| V 90 x 90 x 7,0ly | 6 | 57.0 | |
| V 90 x 90 x 8,0ly | 6 | 72.0 | |
| V 90 x 90 x 9ly | 6 | 72.6 | |
| V 90 x 90 x 10ly | 6 | 79.8 | |
| V 90 x 90 x 13ly | 6 | 102.0 | |
| Thép V100 | V 100 x 100 x 7ly | 6 | 62.9 |
| V 100 x 100 x 8,0ly | 6 | 72.0 | |
| V 100 x 100 x 9,0ly | 6 | 78.0 | |
| V 100 x 100 x 10,0ly | 6 | 90.0 | |
| V 100 x 100 x 12ly | 6 | 64.0 | |
| V 100 x 100 x 13ly | 6 | 114.6 | |
| Thép V120 | V 120 x 120 x 8ly | 6 | 88.2 |
| V 120 x 120 x 10ly | 6 | 109.0 | |
| V 120 x 120 x 12ly | 6 | 130.0 | |
| V 120 x 120 x 15ly | 6 | 129.6 | |
| V 120 x 120 x 18ly | 6 | 160.2 | |
| Thép V130 | V 130 x 130 x 9ly | 6 | 107.4 |
| V 130 x 130 x 10ly | 6 | 115.0 | |
| V 130 x 130 x 12ly | 6 | 141.0 | |
| V 130 x 130 x 15ly | 6 | 172.8 | |
| Thép V150 | V 150 x 150 x 10ly | 6 | 137.5 |
| V 150 x 150 x 12ly | 6 | 163.0 | |
| V 150 x 150 x 15ly | 6 | 201.5 | |
| V 150 x 150 x 18ly | 6 | 238.8 | |
| V 150 x 150 x 19ly | 6 | 251.4 | |
| V 150 x 150 x 20ly | 6 | 264 | |
| Thép V175 | V 175 x 175 x 12ly | 6 | 190.8 |
| V 175 x 175 x 15ly | 6 | 236.4 | |
| Thép V200 | V 200 x 200 x 15ly | 6 | 271.8 |
| V 200 x 200 x 16ly | 6 | 289.2 | |
| V 200 x 200 x 18ly | 6 | 324 | |
| V 200 x 200 x 20ly | 6 | 358.2 | |
| V 200 x 200 x 24ly | 6 | 424.8 | |
| V 200 x 200 x 25ly | 6 | 441.6 | |
| V 200 x 200 x 26ly | 6 | 457.8 | |
| Thép V256 | V 250 x 250 x 25ly | 6 | 562.2 |
| V 250 x 250 x 35ly | 6 | 768 |
Mời các bạn tham khảo thêm các mẫu bảng tra thép hình V dưới đây:

Bảng tra thép hình V

Bảng tra thép góc đều cạnh V
7. Bảng tra thép hình U
Dưới đây là Bảng tra trọng lượng thép hình U. Mời các bạn tham khảo.
| QUY CÁCH THÉP HÌNH U ( U-CHANNEL) | |||||
| H (mm) | B (mm) | t1(mm) | t2(mm) | L (m) | W (kg/m) |
| 60 | 36 | 4,4 | 1/6 | 5,90 | |
| 80 | 40 | 4,5 | 1/6 | 7,05 | |
| 100 | 46 | 4,5 | 1/6 | 8,59 | |
| 100 | 50 | 5,0 | 7,5 | 6/12 | 9,36 |
| 120 | 52 | 4,8 | 6/12 | 10,48 | |
| 125 | 65 | 6 | 8 | 6/12 | 13,4 |
| 140 | 58 | 4,9 | 6/12 | 12,30 | |
| 150 | 75 | 6,5 | 10 | 6/12 | 18,60 |
| 160 | 64 | 5,0 | 6/12 | 14,20 | |
| 180 | 68 | 6,0 | 1/12 | 18,16 | |
| 180 | 68 | 6,5 | 1/12 | 18,40 | |
| 180 | 75 | 7,0 | 10,5 | 1/12 | 21,40 |
| 200 | 73 | 6,0 | 1/12 | 21,30 | |
| 200 | 73 | 7,0 | 1/12 | 23,70 | |
| 200 | 76 | 5,2 | 1/12 | 18,40 | |
| 200 | 80 | 7,5 | 11 | 1/12 | 24,60 |
| 240 | 90 | 5,6 | 1/12 | 24,00 | |
| 250 | 90 | 9,0 | 13 | 1/12 | 34,60 |
| 250 | 78 | 6,8 | 1/12 | 25,50 | |
| 280 | 85 | 9,9 | 1/12 | 34,81 | |
| 300 | 90 | 9,0 | 13 | 1/12 | 38,10 |
| 300 | 82 | 7,0 | 1/12 | 31,00 | |
| 300 | 87 | 9,5 | 1/12 | 39,20 | |
| 300 | 88 | 7,0 | 1/12 | 34,60 | |
| 300 | 90 | 12,0 | 1/12 | 48,60 | |
| 380 | 100 | 10,5 | 16 | 1/12 | 54,50 |
8. Bảng tra thép hình theo tiêu chuẩn ASTM
Tiêu chuẩn ASTM là bộ tiêu chuẩn kĩ thuật cho các vật liệu và sản phẩm trên thế giới được ban hành bởi tổ chức Quốc tế ASTM (American Society for Testing and Materials) - Hiệp Hội Vật Liệu Và Thử Nghiệm Hoa Kỳ.
Những tiêu chuẩn mà tổ chức này đưa ra là sự đồng thuận và được cộng đồng quốc tế chấp nhận. Hiện nay có 12,575 tiêu chuẩn ASTM hoạt động rộng khắp toàn cầu. ASTM xuất bản những tiêu chuẩn của 15 lĩnh vực trong đó có thép không gỉ. ASTM không yêu cầu hay bắt buộc phải tuân thủ các tiêu chuẩn của mình, nhưng giữa giao dịch của các công ty, tổ chức, chính phủ,… hoặc những cam kết trên hợp đồng, họ có thể yêu cầu tuân thủ một số tiêu chuẩn nhất định.
Hoatieu mời bạn cùng tham khảo Bảng tra danh sách thép hình theo tiêu chuẩn ASTM (Dành cho ống thép, thép không gỉ) mới nhất hiện nay, các bạn có thể tải về file trong bài để tiện sử dụng.
| Danh sách thép hình theo tiêu chuẩn ASTM | |
| 1. Steel Pipes - Ống Thép Tròn |
- A53 – A53/A53M-99b: Thép, ống thép nhúng nóng, tráng kẽm, hàn và đúc
- A74 – A74-98: Ống và phụ kiện bằng gang
- A106 – A106-99e1: Ống thép Carbon đúc ở nhiệt độ cao
- A126 – A126-95e1: Gang xám đối với các sản phẩm van, mặt bích và phụ kiện ống tròn
- A134 – A134-96: Ống thép nấu chảy bằng điện (hồ quang) và hàn (cho kích thước từ NPS 16 trở lên)
- A135 – A135-97c: Ống thép hàn điện trở
- A139 – A139-96e1: Ống thép nấu chảy bằng điện (hồ quang) và hàn (cho kích thước từ NPS 4 trở lên)
- A182 – A182/A182M-99: Mặt bích ống thép hợp kim rèn hoặc cán, phụ kiện rèn, van và các bộ phận ở nhiệt độ cao
- A252 – A252-98: Cọc ống thép hàn và đúc
- A312 – A312/A312M-00: Ống thép không gỉ Austenitic hàn và đúc
- A333 – A333/A333M-99: Ống thép hàn và đúc ở nhiệt độ thấp
- A335 – A335/A335M-99: Ống thép hợp kim Ferritic đúc ở nhiệt độ cao
- A338 – A338-84 (1998): Mặt bích bằng sắt dẻo (sắt dễ uốn), phụ kiện ống và các phụ kiện van cho đường sắt, hàng hải và các dịch vụ hạng nặng khác ở nhiệt độ lên tới 650oF (345oC)
- A358 – A358/A358M-98: Ống thép hợp kim crôm-niken Austenitic hàn điện ở nhiệt độ cao
- A369 – A369/A369M-92: Ống thép hợp kim Carbon và Ferritic rèn, khoan ở nhiệt độ cao
- A376 – A376/A376M-98: Ống thép Austenitic đúc ở trung tâm nhiệt độ cao
- A377 – A377-99: Ống chịu lực bằng sắt dẻo (dễ uốn)
- A409 – A409/A409M-95ae1: Ống thép Austenitic hàn, đường kính lớn trong môi trường ăn mòn hoặc nhiệt độ cao
- A426 – A426-92 (1997): Ống thép hợp kim Ferritic đúc ly tâm ở nhiệt độ cao
- A451 – A451-93 (1997): Ống thép Austenitic đúc ly tâm ở nhiệt độ cao
- A523 – A523-96: Ống thép hàn điện trở, đúc cho mạch cáp cao áp
- A524 – A524-96: Ống thép Carbon đúc trong nhiệt độ không khí và nhiệt độ thấp hơn
- A530 – A530/A530M-99: Những yêu cầu chung của ống thép Carbon và hợp kim chuyên dụng
- A648 – A648-95e1: Dây thép, rút cứng cho ống bê tông tạo ứng suất trước
- A674 – A674-95: Thực hành bọc Polyethylene cho ống thép sắt dẻo (dễ uốn) trong nước hoặc các chất lỏng khác
- A691 – A691-98: Ống thép hợp kim Carbon, hàn điện ở nhiệt độ cao và áp suất cao
- A694 – A694/A694M-00: Rèn thép hợp kim Carbon cho mặt bích ống, phụ kiện, van và các bộ phận với độ truyền áp cao
- A716 – A716-99: Ống cống bằng sắt dẻo
- A733 – A733-99: Khớp nối ống ren bằng thép carbon hoặc thép không gỉ Austenitic đúc và hàn
- A742 – A742/A742M-98: Thép tấm, ống thép vỏ lượn sóng phủ polymer và mạ kim loại
- A746 – A746-99: Ống thoát nước trọng lực bằng sắt dẻo
- A760 – A760/A760M-99: Ống thép vỏ lượn sóng, ống cống, ống thoát nước mạ kim loại
- A761 – A761/A761M-98: Tấm kết cấu thép vỏ lượn sóng, tráng kẽm, ống dạng mái vòm và ống vòm
- A762 – A762/A762M-98: Ống thép vỏ lượn sóng, ống cống phủ polymer
- A790 – A790/A790M-99: Ống thép không gỉ đúc và hàn loại Ferritic và Austenitic
- A796 – A796/A796M-99: Thực hành thiết kế kết cấu của ống thép vỏ lượn sóng, mái vòm và ống có dạng vòm cho cống thoát nước thải và cống thoát nước mưa và các ứng dụng được chôn ngầm dưới đất khác
- A798 – A798/A798M-97a: Thực hành lắp đặt ống thép vỏ lượn sóng được chế tạo tại xưởng cho ứng dụng cống rãnh và các ứng dụng khác
- A807 – A807/A807M-97: Thực hành lắp đặt ống kết cấu tấm vỏ lượn sóng cho ứng dụng cống rãnh và các ứng dụng khác
- A810 – A810-94: Lưới cuộn ống thép mạ kẽm
- A813 – A813/A813M-95e2: Ống thép không gỉ Austenitic hàn đơn hoặc hàn đôi
- A814 – A814/A814M-96 (1998): Ống thép không gỉ Austenitic hàn nguội
- A849 – A849-99: Ứng dụng lớp phủ, lát, lớp lót cho cống rãnh và ống thoát nước bằng thép vỏ lượn sóng
- A861 – A861-94e1: Ống và phụ kiện ống sắt silic chịu nhiệt
- A862 – A862/A862M-98: Thực hành ứng dụng phủ nhựa đường cho ống cống và ống thoát nước bằng thép có vỏ lượn sóng
- A865 – A865-97: Khớp nối ren bằng thép đen, thép mạ kẽm hàn hoặc đúc sử dụng cho những mối nối ống thép
- A872 – A872-91 (1997): Ống thép không gỉ Ferritic/Austenitic đúc ly tâm trong môi trường ăn mòn
- A885 – A885/A885M-96: Thép tấm, mạ kẽm và bọc hỗn hợp sợi Aramid cho cống rãnh bằng thép vỏ lượn sóng, cống ngầm và ống thoát ngầm
|
| 2. Ống Thép Carbon ASTM A106 |
- A888 – A888-98e1: Ống gang hubless và phụ kiện cho cống thoát nước thải, cống thoát nước mưa, chất thải và ứng dụng ống thông hơi
- A926 – A926-97: Phương pháp kiểm tra để so sánh khả năng chịu mài mòn của vật liệu phủ (mạ/ tráng) bên ngoài của ống kim loại có vỏ lượn sóng
- A928 – A928/A928M-98: Ống thép không gỉ Ferritic/Austenitic (Duplex) hàn điện có kết hợp với kim loại phụ
- A929 – A929/A929M-97: Thép tấm tráng kim loại bằng qui trình nhúng nóng đối với ống thép có vỏ lượn sóng
- A930 – A930-99: Thực hành phân tích chi phí vòng đời của ống kim loại vỏ lượn sóng được sử dụng cho cống ngầm, cống thoát nước mưa và các ống dẫn được chôn ngầm khác
- A943 – A943/A943M-95e1: Ống thép không gỉ đúc Austenitic dạng phun
- A949 – A949/A949M-95e1: Ống thép không gỉ đúc Ferritic/Austenitic dạng phun
- A954 – A954-96: Ống thép Austenitic hợp kim Chromium-Nickel-Silicon đúc và hàn
- A972 – A972/A972M-99: Cọc ống sơn Epoxy ngoại quan
- A978 – A978/A978M-97: Ống thép gân, lót Polyethylene đối với cống thoát nước thải trọng lực, cống thoát nước mưa và các ứng dụng đặc biệt khác
- A984 – A984/A984M-00: Ống thép đen, hàn điện trở
- A998 – A998/A998M-98: Thực hành thiết kế kết cấu cốt thép cho các phụ kiện của ống thép vỏ lượn sóng được chế tạo tại xưởng đối với ống cống và các ứng dụng khác
- A999 – A999/A999M-98: Các yêu cầu chung cho ống thép không gỉ và ống thép hợp kim
- A1005 – A1005/A1005M-00: Ống thép đen, nối theo chiều dọc và xoắn ốc, hàn hồ quang chìm
- A1006 – A1006/A1006M-00: Ống thép đen, hàn tia laser
|
| 3. Steel Tubes - Ống Thép Siêu Nóng, Ống Nồi Hơi Và Các Loại Ống Khác |
- A178 – A178/A178M-95: Ống siêu nóng và ống nồi hơi bằng thép Carbon và Thép Carbon-Mangan hàn điện trở
- A179 – A179/A179M-90a (1996) e1: Ống ngưng tụ và trao đổi nhiệt bằng thép Carbon thấp kéo nguội, đúc
- A192 – A192/A192M-91 (1996) e1: Ống nồi hơi bằng thép Carbon đúc ở nhiệt độ cao
- A209 – A209/A209M-98: Ống siêu nóng và ống nồi hơi bằng thép hợp kim Carbon-Molybdenum đúc
- A210 – A210/A210M-96: Ống siêu nóng và ống nồi hơi bằng thép hợp kim Medium-Carbon đúc
- A213 – A213/A213M-99a: Ống trao đổi nhiệt, ống siêu nóng, ống nồi hơi thép hợp kim Ferritic and Austenitic đúc
- A249 – A249/A249M-98e1: Ống ngưng tụ, ống trao đổi nhiệt, ống siêu nóng, ống nồi hơi bằng thép Austenitic hàn
- A250 – A250/A250M-95: Ống siêu nóng và ống nồi hơi bằng thép hợp kim Ferritic hàn điện trở
- A254 – A254-97: Ống thép hàn đồng
- A268 – A268/A268M-96: Ống thép không gỉ Ferritic and Martensitic đúc và hàn trong các trường hợp thông thường
- A269 – A269-98: Ống thép không gỉ Austenitic đúc và hàn trong các trường hợp thông thường
- A270 – A270-98ae1: Ống thoát nước thải thép không gỉ Austenitic đúc và hàn
- A334 – A334/A334M-99: Ống thép Carbon và hợp kim đúc, hàn ở nhiệt độ thấp
- A423 – A423/A423M-95: Ống thép hợp kim thấp đúc, hàn điện
- A450 – A450/A450M-96a: Yêu cầu chung đối với ống thép Carbon, ống thép hợp kim Austenitic và ống thép hợp kim Ferritic
- A608 – A608-91a (1998): Ống thép hợp kim cao sắt-crom-nikel đúc ly tâm đối với những ứng dụng áp suất ở nhiệt độ cao
- A618 – A618-99: Ống kết cấu hợp kim thấp, hàn nóng và đúc với cường độ cao
- A632 – A632-98: Ống thép không gỉ Austenitic (đường kính nhỏ) đúc và hàn trong các trường hợp thông thường
- A688 – A688/A688M-98: Ống đun nước nóng bằng thép không gỉ Austenitic hàn
- A771 – A771/A771M-95: Ống thép không gỉ Austenitic and Martensitic đúc đối với các thành phần lõi lò phản ứng làm mát bằng kim loại lỏng
- A778 – A778-98: Sản phẩm hình ống bằng thép không gỉ Austenitic hàn và không tôi
- A789 – A789/A789M-00: Ống thép không gỉ hàn Ferritic/Austenitic và đúc trong các trường hợp thông thường
- A803 – A803/A803M-98: Ống đun nước nóng bằng thép không gỉ Ferritic hàn
- A822 – A822-90 (1995) e1: Ống thép Carbon đúc kéo lạnh đối với hệ thống thủy lực
- A826 – A826/A826M-95: Ống dẫn thép không gỉ Austenitic and Martensitic đúc đối với những thành phần lõi lò phản ứng làm mát bằng kim loại lỏng
- A847 – A847-99a: Ống kết cấu hợp kim thấp, hàn nóng và đúc cường độ cao với khả năng chống ăn mòn trong không khí được cải thiện
- A908 – A908-91 (1998): Ống kim bằng thép không gỉ
- A953 – A953-96: Ống hàn, đúc thép hợp kim Austenitic Chromium - Nickel - Silicon
|
| 4. Heat-Exchanger And Condenser Tubes - Ống Ngưng Tụ Và Trao Đổi Nhiệt | - A179 – A179/A179M-90a (1996) e1: Ống ngưng tụ và trao đổi nhiệt bằng thép Carbon thấp đúc kéo nguội - A213 – A213/A213M-99a: Ống ngưng tụ và trao đổi nhiệt, ống siêu nóng, ống nồi hơi bằng thép hợp kim Ferritic and Austenitic đúc - A214 – A214/A214M-96: Ống ngưng tụ và trao đổi nhiệt bằng thép Carbon hàn điện trở - A249 – A249/A249M-98e1: Ống ngưng tụ và trao đổi nhiệt, ống siêu nóng, ống nồi hơi bằng thép Austenitic hàn - A498 – A498-98: Ống trao đổi nhiệt thép hợp kim Ferritic, and Austenitic đúc với cánh liền - A851 – A851-96: Ống ngưng tụ thép Austenitic hàn cảm ứng tần suất cao, không tôi |
| 5. Structural Tubing - Ống Kết Cấu | - A500 – A500-99: Ống kết cấu thép Carbon đúc, hàn, dạng tròn và các dạng hình khác - A501 – A501-99: Ống kết cấu thép Carbon đúc và hàn nóng - A847 – A847-99a: Ống kết cấu hợp kim thấp, hàn lạnh, đúc cường độ cao với khả năng chống ăn mòn trong không khí được cải thiện - A618 – A618-99: Ống kết cấu hợp kim thấp hàn nóng, đúc cường độ cao |
| 6. Mechanical Tubing - Ống Cơ Khí |
- A511 – A511-96: Ống cơ thép không gỉ đúc
- A512 – A512-96: Ống cơ thép Carbon hàn giáp mối kéo lạnh
- A513 – A513-98: Ống cơ thép Carbon và hợp kim hàn điện trở
- A519 – A519-96: Ống cơ thép Carbon và hợp kim đúc
- A554 – A554-98e1: Ống cơ thép không gỉ hàn và các phụ kiện hàn
- A234 – A234/A234M-99: Phụ kiện ống của thép hợp kim và thép rèn Carbon ở nhiệt độ vừa và cao
- A403 – A403/A403M-99a: Phụ kiện ống thép không gỉ Austenitic rèn
- A420 – A420/A420M-99: Phụ kiện ống của thép hợp kim và thép rèn Carbon ở nhiệt độ thấp
- A758 – A758/A758M-98: Phụ kiện ống hàn giáp mối bằng thép rèn Carbon với độ cứng được cải thiện
- A774 – A774/A774M-98: Phụ kiện thép không gỉ Austenitic rèn, hàn trong môi trường ăn mòn thông thường ở nhiệt độ thấp và vừa
|
9. Phần mềm tra thép hình
Hiện nay có rất nhiều phần mềm, ứng dụng dùng để tra cứu thông tin thép hình đơn giản, nhanh chóng. Việc tra thép hình online giúp các bạn tiết kiệm nhiều thời gian tìm kiếm thông tin, bởi hiện có rất nhiều loại thép hình theo nhiều quy chuẩn khác nhau khiến cho việc tra cứu khá khó khăn.
Bạn đọc có thể dễ dàng tìm kiếm trên các trang mạng, bạn có thể tải về để phục vụ thuận tiện công việc hơn.
Trên đây là mẫu bảng tra thép hình I, H, U, V, L, C trên đây chi tiết và cụ thể. Mời các bạn tham khảo thêm các biểu mẫu, tài liệu mục Xây dựng - Nhà đất hữu ích khác như:
Tham khảo thêm
-
Mẫu biên bản vi phạm xây dựng
-
Mẫu số S04b3-DN: Bảng kê số 3: Tính giá thành thực tế nguyên liệu, vật liệu và công cụ, dụng cụ (TK 152, 153)
-
Mẫu biên bản giám sát công trình 2025
-
Bản cam kết trách nhiệm về xây dựng, cải tạo nhà ở 2025
-
Mẫu biên bản nghiệm thu công việc xây dựng 2025
-
Mẫu S2-HKD: Sổ chi tiết vật liệu, dụng cụ, sản phẩm, hàng hóa
-
Chia sẻ:
Sunset
- Ngày:
Bảng tra thép hình I, H, U, V, L, C 2025 cập nhật mới nhất
1,5 MB 29/08/2020 12:11:00 CH-
Bảng tra thép hình I, H, U, V, L, C 2024 cập nhật mới nhất (PDF)
2,2 MB
Theo Nghị định 147/2024/ND-CP, bạn cần xác thực tài khoản trước khi sử dụng tính năng này. Chúng tôi sẽ gửi mã xác thực qua SMS hoặc Zalo tới số điện thoại mà bạn nhập dưới đây:
Hướng dẫn & Hỗ trợ
Chọn một tùy chọn bên dưới để được giúp đỡ
Xây dựng - Nhà đất tải nhiều
-
Hợp đồng cho thuê nhà ở 2025
-
Mẫu hợp đồng thuê đất 2025 đơn giản, ngắn gọn
-
Mẫu giấy đặt cọc mua bán nhà đất 2025 mới nhất
-
Mẫu 04a/ĐK - Đơn xin cấp giấy chứng nhận quyền sử dụng đất 2025
-
Đơn xin chuyển mục đích sử dụng đất 2025
-
Tờ khai lệ phí trước bạ, nhà đất mẫu 01/LPTB 2022
-
Đơn khiếu nại giải quyết tranh chấp đất đai 2025
-
Giấy cam kết không có tranh chấp đất đai 2025
-
Mẫu 02/TK-SDDPNN: Tờ khai thuế sử dụng đất phi nông nghiệp dùng cho tổ chức 2025
-
Mẫu biên bản nghiệm thu hoàn thành công trình đưa vào sử dụng
Biểu mẫu tải nhiều
-
Tổng hợp tình huống sư phạm thi giáo viên chủ nhiệm giỏi cấp Tiểu học
-
Mẫu đơn xin xác nhận là giáo viên của trường
-
Báo cáo thành tích giáo viên chủ nhiệm giỏi mới nhất
-
Mẫu Quyết định công nhận danh hiệu Chiến sĩ thi đua cơ sở
-
Mẫu Bìa báo cáo thành tích Chiến sĩ thi đua cơ sở
-
Góp ý dự thảo Thông tư ban hành Điều lệ trường tiểu học, THCS, THPT, trường phổ thông có nhiều cấp học
-
Mẫu Báo cáo thành tích đảng viên trẻ tiêu biểu
-
Mẫu Báo cáo thành tích của bí thư chi bộ
-
Mẫu báo cáo thành tích cá nhân của giáo viên tiểu học
-
Mẫu báo cáo thành tích cá nhân của giáo viên THPT
Bài viết hay Xây dựng - Nhà đất
-
Bảng tra Chi phí QLDA và tư vấn đầu tư xây dựng theo Thông tư 12/2021/TT-BXD
-
Mẫu giấy thỏa thuận chuyển nhượng quyền sử dụng đất 2025 mới nhất
-
Bảng theo dõi kết quả kiểm nghiệm đất
-
Mẫu thư mời
-
Mẫu thông tin, dữ liệu chi tiết về bản đồ địa chính 2025
-
Mẫu hợp đồng chuyển nhượng quyền sử dụng đất nông nghiệp 2025
-
Thủ tục hành chính
-
Hôn nhân - Gia đình
-
Giáo dục - Đào tạo
-
Tín dụng - Ngân hàng
-
Biểu mẫu Giao thông vận tải
-
Khiếu nại - Tố cáo
-
Hợp đồng - Nghiệm thu - Thanh lý
-
Thuế - Kế toán - Kiểm toán
-
Đầu tư - Kinh doanh
-
Việc làm - Nhân sự
-
Biểu mẫu Xuất - Nhập khẩu
-
Xây dựng - Nhà đất
-
Văn hóa - Du lịch - Thể thao
-
Bộ đội - Quốc phòng - Thương binh
-
Bảo hiểm
-
Dịch vụ công trực tuyến
-
Mẫu CV xin việc
-
Biển báo giao thông
-
Biểu mẫu trực tuyến