Powerpoint Công nghệ 9 Chủ đề 3: Thiết kế mạng điện trong nhà
Mua tài khoản Hoatieu Pro để trải nghiệm website Hoatieu.vn KHÔNG quảng cáo & Tải nhanh File chỉ từ 99.000đ. Tìm hiểu thêm »
Giáo án Công Nghệ 9 sách Chân trời sáng tạo với đầy đủ file Word và PPT được biên soạn theo chuẩn sách của Bộ giáo dục, dễ dàng chỉnh sửa, do giáo viên có kinh nghiệm lâu năm biên soạn được HoaTieu.vn sưu tầm và đăng tải tại bài viết này. Mời các thầy cô tải giáo án Powerpoint Công nghệ 9 Chủ đề 3: Thiết kế mạng điện trong nhà về tham khảo, phục vụ cho công tác soạn kế hoạch bài dạy môn Công Nghệ lớp 9 theo chương trình mới.
Kế hoạch bài dạy Công nghệ 9 Chân trời sáng tạo Chủ đề 3: Thiết kế mạng điện trong nhà
Bài giảng PowerPoint Công nghệ 9 Chân trời sáng tạo Chủ đề 3: Thiết kế mạng điện trong nhà




Giáo án Chủ đề 3: Thiết kế mạng điện trong nhà Công nghệ 9 CTST
CHỦ ĐỀ 3: THIẾT KẾ MẠNG ĐIỆN TRONG NHÀ
I. MỤC TIÊU
1. Kiến thức
Sau bài học này, HS sẽ:
- Thiết kế được sơ đồ nguyên lí và sơ đồ lắp đặt mạng điện trong nhà.
2. Năng lực
Năng lực chung:
- Năng lực tự chủ tự học: Biết chủ động học tập, tìm hiểu các kí hiệu dùng cho sơ đồ mạng điện trong nhà, sơ đồ nguyên lí, sơ đồ lắp đặt.
- Năng lực giao tiếp hợp tác: Khả năng thực hiện nhiệm vụ một cách độc lập hoặc theo nhóm, tích cực giao tiếp để giải quyết các nhiệm vụ trong quá trình tìm hiểu về các kí hiệu dùng cho sơ đồ mạng điện trong nhà, sơ đồ nguyên lí, sơ đồ lắp đặt.
- Năng lực giải quyết vấn đề: Vẽ được sơ đồ thiết kế mạch điện trong nhà.
Năng lực công nghệ:
- Năng lực nhận thức công nghệ:
+ Đọc hiểu các bản vẽ sơ đồ nguyên lí, sơ đồ lắp đặt, thông số kĩ thuật của dây dẫn điện và các thiết bị tiêu thụ điện.
+ Mô tả được các bản vẽ sơ đồ nguyên lí và sơ đồ lắp đặt mạng điện trong nhà.
+ Thiết kế được sơ đồ và nguyên lí và sơ đồ lắp đặt mạng điện trong nhà.
3. Phẩm chất
- Chăm chỉ, cẩn thận, tỉ mỉ và có tính kỉ luật.
II. THIẾT BỊ DẠY HỌC VÀ HỌC LIỆU:
1. Đối với giáo viên:
- SGK, SGV Công nghệ 9 - Trải nghiệm nghề nghiệp Mô đun lắp đặt mạng điện trong nhà.
- Hình vẽ và tranh ảnh trong SGK.
- Máy chiếu, máy tính, màn hình hiển thị, hoặc ti vi.
2. Đối với học sinh:
- SGK Công nghệ 9 - Trải nghiệm nghề nghiệp Mô đun lắp đặt mạng điện trong nhà.
- HS cả lớp: Tư liệu sưu tầm có liên quan đến nội dung bài học và dụng cụ học tập theo yêu cầu của GV.
III. TIẾN TRÌNH DẠY HỌC
A. HOẠT ĐỘNG KHỞI ĐỘNG
a. Mục tiêu: Hoạt động này giúp huy động được những kiến thức, kĩ năng, kinh nghiệm thực tế của bản thân HS về các
b. Nội dung: GV sử dụng câu hỏi ở phần mở đầu (SGK – tr14) để đặt vấn đề, HS nêu được việc sử dụng dụng cụ đo điện trong hình. Từ câu trả lời của HS, GV dẫn dắt nhằm gây chú ý của HS vào nội dung bài học.
c. Sản phẩm học tập: Câu trả lời của HS về việc sử dụng dụng cụ đo điện trên hình 3.1. GV sẽ gợi ý để HS bước đầu có những hình dung ban đầu về các dụng cụ đo điện cơ bản.
d. Tổ chức thực hiện:
Bước 1: GV chuyển giao nhiệm vụ học tập
- GV chiếu hình ảnh bảng điện trong gia hình (hình 3.1) cho HS quan sát.

- GV dẫn dắt và đặt câu hỏi: Để lắp đặt được một mạng điện trong nhà (Hình 3.1) hoạt động đứng nguyên lí, an toàn và đáp ứng yêu cầu đặt ra thì người kế cần thiết kế những sơ đồ điện gì?
Bước 2: HS thực hiện nhiệm vụ học tập
- HS vận dụng hiểu biết, kinh nghiệm của bản thân, suy nghĩ và trả lời câu hỏi.
- GV hướng dẫn, hỗ trợ HS (nếu cần thiết).
Bước 3: Báo cáo kết quả hoạt động và thảo luận
- GV mời đại diện HS trả lời câu hỏi.
- GV yêu cầu HS khác nhận xét, bổ sung (nếu có).
Gợi ý trả lời:
Để thiết kế và lắp đặt mạng điện trong nhà hoạt động đúng nguyên lý, an toàn và đáp ứng yêu cầu sử dụng, người thiết kế cần thiết kế các sơ đồ điện sau:
+ Sơ đồ nguyên lý
+ Sơ đồ lắp đặt
+ Sơ đồ đấu dây
Bước 4: Đánh giá kết quả, thực hiện nhiệm vụ học tập
- GV đánh giá, nhận xét, chuẩn kiến thức.
- GV dẫn dắt vào bài học mới – Bài 3: Thiết kế mạng điện trong nhà.
B. HOẠT ĐỘNG HÌNH THÀNH KIẾN THỨC
1. Hoạt động 1: Tìm hiểu về sơ đồ nguyên lí và sơ đồ lắp đặt
a. Mục tiêu: Biết được vai trò của sơ đồ nguyên lí và sơ đồ lắp đặt mạng điện trong nhà
b. Nội dung: HS tìm hiểu các bước thiết kế sơ đồ và sản phẩm của từng bước thiết kế.
c. Sản phẩm học tập: Câu trả lời và ghi chép của HS về sơ đồ nguyên lí, sơ đồ lắp đặt.
d. Tổ chức hoạt động:
| HOẠT ĐỘNG CỦA GV - HS | DỰ KIẾN SẢN PHẨM |
|
*Nhiệm vụ 1: Tìm hiểu mạng điện, sơ đồ mạng điện trong nhà và kí hiệu trên sơ đồ. Bước 1: GV chuyển giao nhiệm vụ học tập - GV yêu cầu HS hoạt động nhóm đôi, nêu khái niệm mạng điện trong nhà và sơ đồ mạng điện trong nhà. - GV yêu cầu HS hoạt động nhóm đôi đọc nội dung sgk và đưa ra các kí hiệu điện trên sơ đồ nguyên lí và sơ đồ lắp đặt. Bước 2: HS thực hiện nhiệm vụ học tập - HS đọc thông tin SGK, thảo luận và trả lời câu hỏi. - GV hướng dẫn, theo dõi, hỗ trợ HS nếu cần thiết. Bước 3: Báo cáo kết quả hoạt động và thảo luận - GV mời HS đại diện nhóm báo cáo kết quả thảo luận. (DKSP) Bước 4: Đánh giá kết quả, thực hiện nhiệm vụ học tập - GV đánh giá, nhận xét, chuẩn kiến thức và kết luận. - GV chuyển sang nhiệm vụ 2 |
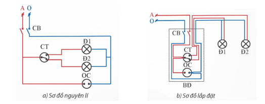
I. Sơ đồ mạng điện trong nhà 1.1 Mạng điện và sơ đồ mạng điện trong nhà - Mạng điện trong nhà là mạng điện thể hiên cách phân phối điện; cách kết nối, bố trí các thiết bị điện nhằm phục vụ nhu cầu sử dụng nguồn điện, sử dụng các thiết bị điện cố định và di động trong gia đình. - Sơ đồ mạng điện trong nhà là sơ đồ thể hiện sự kết nối, phân bố các thiết bị điện trong nhà nhằm phục vụ cho việc thi công, lắp đặt điện được chính xác, hiệu quả. 1.2. Kí hiệu điện trên sơ đồ nguyên lí và sơ đồ lắp đặt - Bảng sơ đồ kí hiệu điện trên sơ đồ nguyên lí và sơ đồ lắp đặt. |
Mời các bạn sử dụng file tải về để xem đầy đủ nội dung chi tiết.
Mời các bạn tham khảo các bài viết khác trong chuyên mục Giáo án bài giảng của Hoatieu.
-
Chia sẻ:
Lanh Lảnh Lót
- Ngày:
Powerpoint Công nghệ 9 Chủ đề 3: Thiết kế mạng điện trong nhà
5,1 MB 22/01/2025 3:29:00 CH-
Tải giáo án Công nghệ 9 Chủ đề 3: Thiết kế mạng điện trong nhà
Nhiều người quan tâm
Tham khảo thêm
Theo Nghị định 147/2024/ND-CP, bạn cần xác thực tài khoản trước khi sử dụng tính năng này. Chúng tôi sẽ gửi mã xác thực qua SMS hoặc Zalo tới số điện thoại mà bạn nhập dưới đây:
-
Lắp đặt mạng điện trong nhà
- Chủ đề 1: Thiết bị đóng cắt và lấy điện trong gia đình
- Chủ đề 2: Dụng cụ đo điện cơ bản
- Chủ đề 3: Thiết kế mạng điện trong nhà
- Chủ đề 4: Thiết bị, vật liệu, dụng cụ dùng cho lắp đặt mạng điện trong nhà
- Chủ đề 5: Tính toán chi phí cho mạng điện trong nhà đơn giản
- Chủ đề 6: Thực hành lắp đặt mạng điện trong nhà
- Chủ đề 7: Một số ngành nghề liên quan đến lắp đặt mạng điện trong nhà
Giáo án lớp 9 tải nhiều
-
PowerPoint Lịch sử và Địa lí 9 Chủ đề 3: Bảo vệ chủ quyền, các quyền và lợi ích hợp pháp của Việt Nam ở Biển Đông
-
PowerPoint Lịch sử 9 Bài 20: Châu Á từ năm 1991 đến nay
-
PowerPoint Lịch sử 9 Bài 22: Cách mạng khoa học kĩ thuật và xu thế toàn cầu hóa
-
PowerPoint Lịch sử 9 Bài 21: Việt Nam từ năm 1991 đến nay
-
PowerPoint Lịch sử 9 Bài 18: Việt Nam từ năm 1976 đến năm 1991
-
PowerPoint Lịch sử 9 Bài 19: Trật tự thế giới mới từ năm 1991 đến nay - Liên bang Nga và nước Mỹ từ năm 1991 đến nay
-
PowerPoint Lịch sử 9 Bài 17: Việt Nam kháng chiến chống Mỹ cứu nước, thống nhất đất nước giai đoạn 1965 – 1975
-
PowerPoint Lịch sử 9 Bài 7: Phong trào cách mạng Việt Nam thời kì 1930 - 1939
-
PowerPoint Lịch sử 9 Bài 13: Việt Nam trong năm đầu sau Cách mạng tháng Tám năm 1945
-
PowerPoint Lịch sử 9 Bài 8: Cách mạng tháng Tám năm 1945
Bài viết hay Giáo án lớp 9
-
Powerpoint Tiếng Anh 9 Unit 8: Lesson 1
-
PowerPoint Ngữ văn 9 Bài 1: Viết phân tích một tác phẩm thơ
-
PowerPoint Toán 9 Bài 1: Phương trình quy về phương trình bậc nhất một ẩn
-
Giáo án Sinh hoạt dưới cờ lớp 9 chủ đề: Xây dựng văn hóa nhà trường tuần 4
-
PowerPoint Ngữ văn 9 Bài 4: Làng
-
Giáo án Mĩ thuật 9 Kết nối tri thức với cuộc sống